Product Summary
The P089A2004 is a GaAs 5 section phase shifter.
Parametrics
P089A2004 maximum ratings: (1)Operating Frequency: 1010 to 1110 MHz; (2)DC Current: 1.2 typ 10 mA At +5 VDC Supply; (3)Control Type: TTL 5 Line; (4)Control Current: High 1 typ, ±20 μA VIH = +3.0 V; Low 1 ±20 μA VIL = +0.5 V; (5)Insertion Loss: 5.3 to 7.5 dB; (6)Impedance: 50 OHMS; (7)Switching Speed 48: 100 nSec 50% TTL to 90% / 10% RF; (8)Transition (Rise/Fall) Time: 25 nSec 90% / 10% or 10% / 90% RF; (9)Switching (Video) Transients: 180 mV Peak Value.
Features
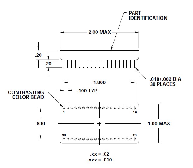
P089A2004 features: (1)1010 - 1110 MHz; (2)Constant Insertion Loss; (3)48 nSec Switching Speed; (4)TTL Control; (5)38 Pin DIP.
Diagrams

(China (Mainland))






