Product Summary
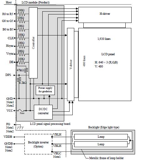
The NL6448BC33-59 is a TFT color LCD module. The NL6448BC33-59 is composed of the amorphous silicon thin film transistor liquid crystal display(a-Si TFT LCD) panel structure with driver LSIs driving the TFT array and a backlight.
Parametrics
NL6448BC33-59 absolute maximum ratings: (1)Power supply voltage, LCD panel signal board, VCC: -0.3 to +6.5V; Lamp voltage Note1, VBLH: 1,500 Vrms; (2)Input voltage for signals, Display signals, VD: -0.3 to VCC+0.3V; Function signals, VF: -0.3 to VCC +0.3 V; (3)Storage temperature, Tst: -20 to +80℃; (4)Operating temperature, Front surface, TopF: -10 to +70℃; Rear surface, TopR: TBD℃.
Features
NL6448BC33-59 features: (1)Display area: 211.2(W) ×158.4(H)mm (typ.); (2)Diagonal size of display: 26 cm (10.4 inches); (3)Drive system: a-Si TFT active matrix; (4)Display color: 262,144 colors; (5)Pixel: 640 (H)×480(V) pixels; (6)Pixel arrangement: RGB vertical stripe; (7)Dot pitch: 0.11(W)×0.33(H) mm; (8)Pixel pitch: 0.33(W)×0.33(H) mm; (9)Module size: 243.0(W)×185.1(H)×10.5(D) mm(typ.).
Diagrams

![]() |
![]() NL6448AC20-06 |
![]() Other |
![]() |
![]() Data Sheet |
![]() Negotiable |
|
||||
![]() |
![]() NL6448AC20-08 |
![]() Other |
![]() |
![]() Data Sheet |
![]() Negotiable |
|
||||
![]() |
![]() NL6448AC33-18A |
![]() Other |
![]() |
![]() Data Sheet |
![]() Negotiable |
|
||||
![]() |
![]() NL6448AC33-29 |
![]() Other |
![]() |
![]() Data Sheet |
![]() Negotiable |
|
||||
![]() |
![]() NL6448BC20-08 |
![]() Other |
![]() |
![]() Data Sheet |
![]() Negotiable |
|
||||
![]() |
![]() NL6448BC33-31 |
![]() Other |
![]() |
![]() Data Sheet |
![]() Negotiable |
|
||||
(China (Mainland))








