Product Summary
The 2N2905A is a high speed medium power PNP switching transistor.
Parametrics
2N2905A absolute maximum ratings: (1)VCBO Collector - Base Voltage: –60V; (2)VCEO Collector - Emitter Voltage: –60V; (3)VEBO Emitter - Base Voltage: –5V; (4)IC Collector Current Continuous: 600mA; (5)PD Total Device Dissipation @ TA = 25℃: 600mW; (6) Derate above 25℃: 3.43mW / ℃; (7)PD Total Device Dissipation @ TC = 25℃: 3W ; (8)Derate above 25℃: 17.2mW / ℃; (9)TJ , TSTG Operating and Storage Junction Temperature Range: –65 to +200℃.
Features
2N2905A features: (1)Silicon planar epitaxial PNP transistor; (2)High speed saturated switching; (3)Also available in ceramic surface; (4)Mount package.
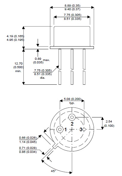
Diagrams

| Image | Part No | Mfg | Description | ![]() |
Pricing (USD) |
Quantity | ||||||||||||
|---|---|---|---|---|---|---|---|---|---|---|---|---|---|---|---|---|---|---|
![]() |
![]() 2N2905A |
![]() Central Semiconductor |
![]() Transistors Bipolar (BJT) PNP Gen Pur SS |
![]() Data Sheet |
![]()
|
|
||||||||||||
![]() |
![]() 2N2905AL |
![]() Other |
![]() |
![]() Data Sheet |
![]() Negotiable |
|
||||||||||||
(China (Mainland))










