Product Summary
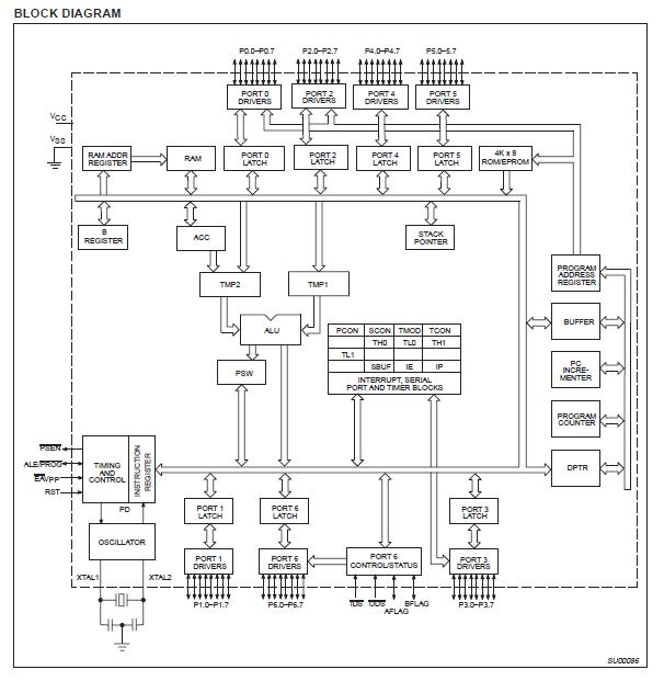
The Philips SC80C451CCN64 is an I/O expanded single-chip microcontroller fabricated with Philips high-density CMOS technology. Philips epitaxial substrate minimizes latch-up sensitivity. The SC80C451CCN64 (includes the 80C451, 87C451 and 83C451) is a functional extension of the 87C51 microcontroller with three additional I/O ports and four I/O control lines for a total of 68 pins. Four control lines of SC80C451CCN64 associated with port 6 facilitate high-speed asynchronous I/O functions.
Parametrics
SC80C451CCN64 absolute maximum ratings: (1)Operating temperature under bias: 0 to +70 ℃; (2)Storage temperature range: –65 to +150 ℃; (3)Voltage on any other pin to VSS: –0.5 to +6.5 V; (4)Power dissipation (based on package heat transfer limitations, not device power consumption): 1.5 W.
Features
SC80C451CCN64 features: (1)80C51 based architecture; (2)Seven 8-bit I/O ports; (3)Port 6 features: Eight data pins, Four control pins, Direct MPU bus interface, Parallel printer interface; (4)On the microcontroller: 4kx8 ROM (83C451), 4kx8 EPROM (87C451), ROMless version (80C451), 128x8 RAM, Two 16-bit counter/timers, Two external interrupts; (5)External memory addressing capability: 64k ROM and 64k RAM; (6)Low power consumption: Normal operation: less than 24mA at 5V, 12MHz, Idle mode, Power-down mode.
Diagrams

![]() |
![]() SC800 |
![]() Switchcraft |
![]() Patch Panels Instr. Direct Box |
![]() Data Sheet |
![]()
|
|
||||||||||||
![]() |
![]() SC800CT |
![]() Switchcraft |
![]() Patch Panels DIRECT BOX, CUSTOM GROUND LIFT |
![]() Data Sheet |
![]()
|
|
||||||||||||
![]() |
![]() SC801U |
![]() 3M Touch Systems |
![]() Display Drivers & Controllers SC800 8W USB OEM |
![]() Data Sheet |
![]()
|
|
||||||||||||
![]() |
![]() SC802-06(1A) |
![]() Other |
![]() |
![]() Data Sheet |
![]() Negotiable |
|
||||||||||||
![]() |
![]() SC802-09(1A) |
![]() Other |
![]() |
![]() Data Sheet |
![]() Negotiable |
|
||||||||||||
![]() |
![]() SC802S |
![]() 3M Touch Systems |
![]() Display Drivers & Controllers SC800 8W SERIAL OEM |
![]() Data Sheet |
![]()
|
|
||||||||||||
(China (Mainland))











