Product Summary
The PDT2008 is a thyristor module. The device is suitable for AC phase control.
Parametrics
PDT2008 absolute maximum ratings: (1)Repetitive Peak Off-State Voltage, VDRM: 800V; (2)Non Repetitive Peak Off-State Voltage, VDSM: 960 V; (3)Repetitive Peak Reverse Voltage, VRRM: 800V; (4)Non Repetitive Peak Reverse Voltage, VRSM: 960 V; (5)Average Rectified Output Current, IO(AV): 200A when50Hz Half Sine Wave conditionTc=65℃; (6)RMS On-State Current, IT(RMS): 314 A; (7)Surge Forward Current, IFSM: 4000A when 50 Hz Half Sine Wave, 1cycle Non-Repetitive; (8)I Squared t, I2t: 80000A2S when 2msec to 10msec; (9)Critical Rate of Turned-On Current, di/dt: 100A/μs when VD=2/3VDRM, ITM=2IO, Tj=125℃ IG=300mA, diG/dt = 0.2 A/μs; (10)Peak Gate Power, PGM: 5 W; (11)Average Gate Power, PG(AV): 1 W; (12)Peak Gate Current, IGM: 2 A; (13)Peak Gate Voltage, VGM: 10 V; (14)Peak Gate Reverse Voltage, VRGM: 5 V; (15)Operating JunctionTemperature Range, Tjw: -40 to +125℃; (16)Storage Temperature Range, Tstg: -40 to +125℃; (17)Isoration Voltage, Viso: 2000V when Base Plate to Terminals, AC1min.
Features
PDT2008 features: (1)Isolated Base; (2)Dual Thyristors or Thyristor and Diode Cascaded Circuit; (3)High Surge Capability; (4)UL Recognized, File No. E187184.
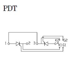
Diagrams

| Image | Part No | Mfg | Description | ![]() |
Pricing (USD) |
Quantity | ||||
|---|---|---|---|---|---|---|---|---|---|---|
![]() |
![]() PDT2008 |
![]() Other |
![]() |
![]() Data Sheet |
![]() Negotiable |
|
||||
| Image | Part No | Mfg | Description | ![]() |
Pricing (USD) |
Quantity | ||||
![]() |
![]() PDT20016 |
![]() Other |
![]() |
![]() Data Sheet |
![]() Negotiable |
|
||||
![]() |
![]() PDT2008 |
![]() Other |
![]() |
![]() Data Sheet |
![]() Negotiable |
|
||||
![]() |
![]() PDT2018 |
![]() Other |
![]() |
![]() Data Sheet |
![]() Negotiable |
|
||||
![]() |
![]() PDT20012 |
![]() Other |
![]() |
![]() Data Sheet |
![]() Negotiable |
|
||||
(China (Mainland))









