Product Summary
The P105W is a passivated assembled circuit element. The P105W Integrated Power Circuit consists of power thyristor and power diode configured in a single package. With its isolating base plate, mechanical designs are greatly simplified giving advantages of cost reduction and reduced size. Applications include power supplies, control circuits and battery chargers.
Parametrics
P105W maximum ratings: (1)ID: 25 A; (2)ID@ TC: 85℃; (3)IFSM @50Hz: 357 A; (4)IFSM @ 60Hz: 375 A; (5)I2t @50Hz: 637 A2s; (6)I2t@ 60Hz: 580 A2s; (7)VRRM: 400 to 1200 V; (8)VINS: 2500 V; (9)TJ: - 40 to 125℃.
Features
P105W features: (1)Glass passivated junctions for greater reliability; (2)Electrically isolated base plate; (3)Available up to 1200 VRRM, VDRM; (4)High dynamic characteristics; (5)Wide choice of circuit configurations; (6)Simplified mechanical design and assembly; (7)UL E78996 approved.
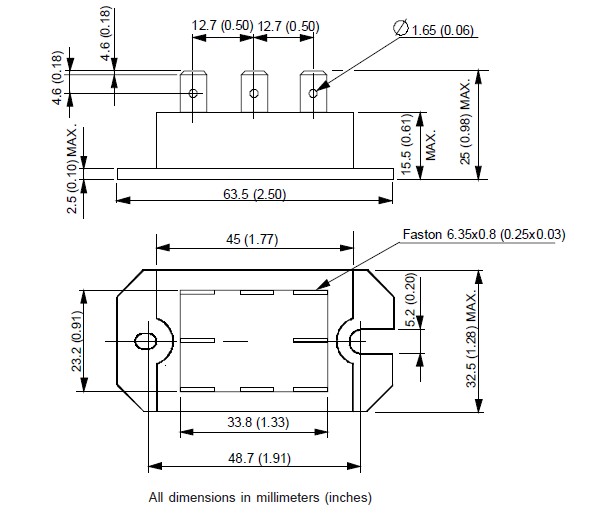
Diagrams

| Image | Part No | Mfg | Description | ![]() |
Pricing (USD) |
Quantity | ||||||||||||||||||||
|---|---|---|---|---|---|---|---|---|---|---|---|---|---|---|---|---|---|---|---|---|---|---|---|---|---|---|
![]() |
![]() P105W |
![]() |
![]() SCR HY-BRIDGE 1200V 25A PACE-PAK |
![]() Data Sheet |
![]()
|
|
||||||||||||||||||||
| Image | Part No | Mfg | Description | ![]() |
Pricing (USD) |
Quantity | ||||||||||||||||||||
![]() |
![]() P1051/2A CL005 |
![]() Alpha Wire |
![]() Tubing & Sleeving - (Non-shrink) 1/2in NON-SHNK TUBNG 100ft SPOOL CLEAR |
![]() Data Sheet |
![]()
|
|
||||||||||||||||||||
![]() |
![]() P10511/2 BK007 |
![]() Alpha Wire |
![]() Tubing & Sleeving - (Non-shrink) 1-1/2in NON-SHK TUBE 50ft SPOOL BLACK |
![]() Data Sheet |
![]()
|
|
||||||||||||||||||||
![]() |
![]() P10511/4 BK007 |
![]() Alpha Wire |
![]() Tubing & Sleeving - (Non-shrink) 1-1/4in NON-SHK TUBE 50ft SPOOL BLACK |
![]() Data Sheet |
![]()
|
|
||||||||||||||||||||
![]() |
![]() P1051IN BK007 |
![]() Alpha Wire |
![]() Tubing & Sleeving - (Non-shrink) 1in NON-SHNK TUBING 50ft SPOOL BLACK |
![]() Data Sheet |
![]()
|
|
||||||||||||||||||||
![]() |
![]() P1051IN CL007 |
![]() Alpha Wire |
![]() Tubing & Sleeving - (Non-shrink) 1in NON-SHNK TUBING 50ft SPOOL CLEAR |
![]() Data Sheet |
![]()
|
|
||||||||||||||||||||
![]() |
![]() P1052 BK003 |
![]() Alpha Wire |
![]() Tubing & Sleeving - (Non-shrink) U 602-PVC105-2-250BK |
![]() Data Sheet |
![]() Negotiable |
|
||||||||||||||||||||
(China (Mainland))











