Product Summary
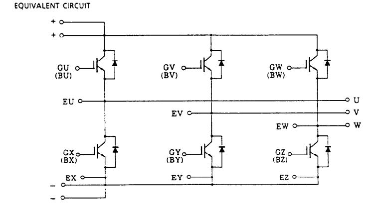
The MG25J6ES40 is an IGBT module. The applications of it are high power switching and motor control.
Parametrics
MG25J6ES40 absolute maximum ratings: (1)collector-emitter voltage:600V; (2)gate-emitter voltage:±20V; (3)collector current: IC:25A, ICP:50A; (4)forward current: IF:25A, IFM:50A; (5)collector power dissipation:100W; (6)junction temperature:150; (7)storage temperature range:-40 to +125; (8)isolation voltage:2500V(AC,1min.); (9)screw torque:3N.m.
Features
MG25J6ES40 features: (1)The electrodes are isolated from case; (2)6 IGBTs are built into 1 package; (3)enhancement-mode; (4)low saturation voltage: VCE(sat)=3.5V(max.)(IC=25A); (5)high speed:tf=0.35us(max.)(IC=25A), trr=0.15us(max.)(IF=25A).
Diagrams

![]() |
![]() MG2580A2-376B |
![]() Maxim Integrated Products |
![]() CODECs |
![]() Data Sheet |
![]() Negotiable |
|
||||
![]() |
![]() MG2590 |
![]() Other |
![]() |
![]() Data Sheet |
![]() Negotiable |
|
||||
![]() |
![]() MG256 |
![]() Other |
![]() |
![]() Data Sheet |
![]() Negotiable |
|
||||
![]() |
![]() MG251C |
![]() Other |
![]() |
![]() Data Sheet |
![]() Negotiable |
|
||||
![]() |
![]() MG251A |
![]() Other |
![]() |
![]() Data Sheet |
![]() Negotiable |
|
||||
(China (Mainland))








