Product Summary
The MG10G6EL2 is a type of memory card ,which is widely used in oower switing, A.C motor control and so on.
Parametrics
MG10G6EL2 maximum ratings: (1)Vcro=500V; (2)VCEX=500V; (3)Vero=6V; (4)Ic=15A; (5)ICp=30A; (6)IR=1.0A; (7)If=15A; (8)Pc=80W; (9)Tstg=-40 to 125℃.
Features
MG10G6EL2 features: (1)High Voltage; (2)Including free wheeling diode; (3)Excellent safe operating area; (4)Insulated type.
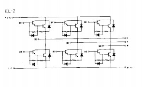
Diagrams

![]() |
![]() MG1000E |
![]() Other |
![]() |
![]() Data Sheet |
![]() Negotiable |
|
||||
![]() |
![]() MG1001 |
![]() Other |
![]() |
![]() Data Sheet |
![]() Negotiable |
|
||||
![]() |
![]() MG1001E |
![]() Other |
![]() |
![]() Data Sheet |
![]() Negotiable |
|
||||
![]() |
![]() MG1002E |
![]() Other |
![]() |
![]() Data Sheet |
![]() Negotiable |
|
||||
![]() |
![]() MG1004 |
![]() Other |
![]() |
![]() Data Sheet |
![]() Negotiable |
|
||||
![]() |
![]() MG1004E |
![]() Other |
![]() |
![]() Data Sheet |
![]() Negotiable |
|
||||
(China (Mainland))








