Product Summary
The IM14400 is an IPM. The device is integrated Drive, protection and system control functions that is designed for high performance 3-phase motor driver application like: Home appliances applications and Inverter drive parts for AC/DC motor driving.
Parametrics
IM14400 absolute maximum ratings: (1)Between collector to emitter voltage, VCES: 600 V; (2)Supply voltage P-N, VPN: 450 V; (3)Supply voltage (surge) P-N, VPN (surge): 500 V; (4)Each IGBT collector current, ± IC Tc = 25℃): 30 A; (5)Each IGBT collector current (peak),±ICP( Tc = 25℃ , pulse ): 60 A; (6)Collector dissipation, PC(Tc = 25℃, per one chip): 103 W; (7)Junction temperature, Tj: -20 to +125℃.
Features
IM14400 features: (1)UL Certified No.E204652; (2)Lower switching loss and higher short-circuit withstanding capability; (3)Under-voltage lockout protection; (4)Using copper as the heat-sink to withstand the power semiconductor to get the lower thermal resistance; (5)Matched propagation delay for three arms to get balance switching performance; (6)Provided a fault signal (FO pin) and shut-off internal IGBT, when over current(OC)/short circuit(SC) and under-voltage(UV) situation are occurred; (7)2500 Vrms isolation rating; (8) packaging and RoHS compatible.
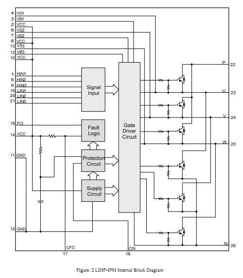
Diagrams

(China (Mainland))






