Product Summary
The FMM5061VF is a MMIC amplifier that contains a three-stage amplifier, internally matched, for standard communications band in the 9.5 to 13.3GHz frequency range.
Parametrics
FMM5061VF absolute maximum rating: (1)Drain-Source Voltage VDD: 10V; (2)Gate-Source Voltage VGG: -7 V; (3)Input Power Pin: 26 dBm; (4)Channel Temperature Tch: +175 ℃; (5)Storage Temperature Tstg: -55~125 ℃.
Features
FMM5061VF features: (1)High Output Power: Pout=33.0dBm (typ.); (2)High Linear Gain: GL=27.0dB (typ.); (3)Broad Band: 9.5~13.3GHz; (4)Impedance Matched Zin/Zout=50Ω; (5)Small Hermetic Metal-Ceramic Package(VF).
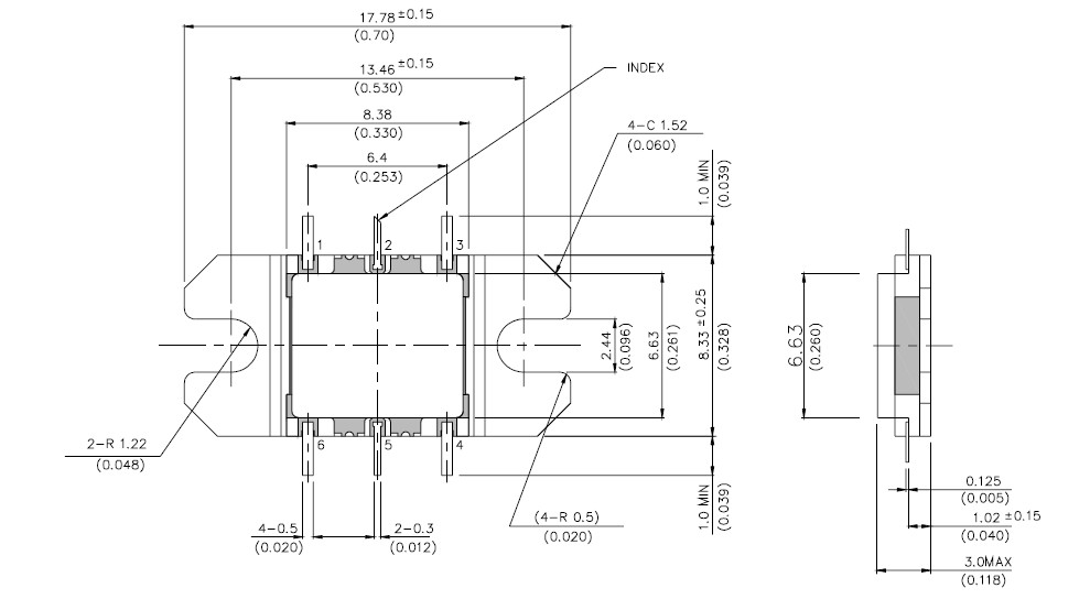
Diagrams

![]() |
![]() FMM50-025TF |
![]() Ixys |
![]() MOSFET PHASE LEG MOSFET MOD HALF-BRIDGE 250V 30A |
![]() Data Sheet |
![]() Negotiable |
|
||||
![]() |
![]() FMM5017VF |
![]() Other |
![]() |
![]() Data Sheet |
![]() Negotiable |
|
||||
![]() |
![]() FMM5046VF |
![]() Other |
![]() |
![]() Data Sheet |
![]() Negotiable |
|
||||
![]() |
![]() FMM5048GJ |
![]() Other |
![]() |
![]() Data Sheet |
![]() Negotiable |
|
||||
![]() |
![]() FMM5057VF |
![]() Other |
![]() |
![]() Data Sheet |
![]() Negotiable |
|
||||
![]() |
![]() FMM5107VD |
![]() Other |
![]() |
![]() Data Sheet |
![]() Negotiable |
|
||||
(China (Mainland))








