Product Summary
The A2SHCPU is a Process Sealed Subminiature Toggle.
Parametrics
A2SHCPU absolute maximum ratings: (1)Logic Level: 0.4VA maximum @ 28V AC/DC maximum; (2)Dielectric Strength: 500V AC minimum between contacts for 1 minute minimum; (3)Dielectric Strength: 500V AC minimum between contacts & case for 1 minute minimum.
Features
A2SHCPU features: (1)Subminiature size saves space on PC boards; (2)Specifically developed for logic-level applications; (3)Totally sealed body construction prevents contact contamination; (4)and allows time- and money-saving automated soldering and; (5)cleaning; (6)Award-winning STC contact mechanism with benefits unavailable in conventional mechanisms: smoother, positive detent actuation, increased contact stability and unparalleled logic-level; (7)reliability; (8)Molded-in, epoxy sealed or ultrasonically welded terminals lock out flux, solvents, and other contaminants; (9).100” x .100” (2.54mm x 2.54mm) terminal spacing conforms to standard PC board grid spacing; (10)Toggle option in antistatic material available for dissipating electrostatic discharges; (11)Matching indicators available and shown at the end of Section M.
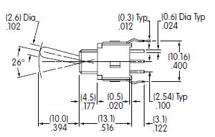
Diagrams

![]() |
![]() A2SHV |
![]() |
![]() SW TOGGLE DPDT VERT BRKT PCB |
![]() Data Sheet |
![]()
|
|
||||||||||||
![]() |
![]() A2SHV-RO |
![]() NKK Switches |
![]() Toggle Switches (ON)-OFF-ON .248 FLT VERTICAL PC .4VA |
![]() Data Sheet |
![]()
|
|
||||||||||||
(China (Mainland))









