Product Summary
The 6MBP100NA060 is an IGBT-IPM.
Parametrics
6MBP100NA060 absolute maxing ratings: (1)DC bus voltage VDC: min=0, max=450V; (2)DC bus voltage(surge) VDC(surge): min=0, max=500V; (3)DC bus voltage(short operating) VSC: min=200V, max=400V; (4)Collector-emitter voltage VCES: min=0, max=600V; (5)Collector current DC IC: max=100A; 1ms ICP: max=200A; duty=42.0% -IC: max=100A; (6)Collector power dissipation one transistor PC: max=400W; (7)Junction temperature Tj: max=150℃; (8)Input voltage of power supply for pre-driver VCC*1: min=0V, max=20V; (9)Input signal voltage Vin*2: min=0V, max=VZV; (10)Input signal current lin: max=1mA; (11)Alarm signal voltage VALM*3: min=0, max=VCCV; (12)Alarm signal current IALM*4: max=15mA; (13)Storage temperature Tstg: min=-40℃, max=125℃; (14)Operating case temperature Top: min=-20℃, max=100℃; (15)Isolation voltage(case-terminal) Viso*5: max=AC2.5KV.
Features
6MBP100NA060 electrical characteristics: (1)On the condition of VCE=600V, collector current at off signal input ICES: max=1.0mA; (2)On the condition of IC=100A, collector-emitter saturation voltage VCE(sat): max=2.9V; (3)On the condition of -IC=100A, forward voltage of FWD VF: max=3.3V.
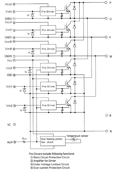
Diagrams

![]() |
![]() 6MBP 150RA-060 |
![]() Other |
![]() |
![]() Data Sheet |
![]() Negotiable |
|
||||
![]() |
![]() 6MBP 15RH-060 |
![]() Other |
![]() |
![]() Data Sheet |
![]() Negotiable |
|
||||
![]() |
![]() 6MBP 75RA-120 |
![]() Other |
![]() |
![]() Data Sheet |
![]() Negotiable |
|
||||
![]() |
![]() 6MBP100RTA-060 |
![]() Other |
![]() |
![]() Data Sheet |
![]() Negotiable |
|
||||
![]() |
![]() 6MBP100RTB060 |
![]() Other |
![]() |
![]() Data Sheet |
![]() Negotiable |
|
||||
![]() |
![]() 6MBP150RA120 |
![]() Other |
![]() |
![]() Data Sheet |
![]() Negotiable |
|
||||
(China (Mainland))








