Product Summary
The 2SK3170 is a silicon N Channel MOS FET UHF power amplifier.
Parametrics
2SK3170 absolute maximum ratings: (1)Drain to source voltage VDSS: 60 V; (2)Gate to source voltage VGSS: ±10 V; (3)Drain current ID: 16 A; (4)Drain peak current ID(pulse): 32 A; (5)Channel dissipation Pch: 252 W; (6)Channel temperature Tch: 175 ℃; (7)Storage temperature Tstg: –55 to +150 ℃.
Features
2SK3170 features: (1)High power output, High gain, High efficiency: P1dB = 220W , PG = 15.3dB , ηD = 61% (at P1dB) typ. (f = 860MHz); (2)Compact package: suitable for push - pull circuit.
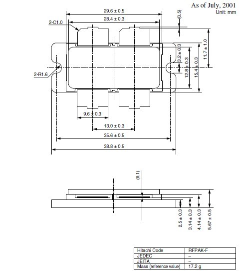
Diagrams

![]() |
![]() 2SK3001 |
![]() Other |
![]() |
![]() Data Sheet |
![]() Negotiable |
|
||||||||||||
![]() |
![]() 2SK3009 |
![]() Other |
![]() |
![]() Data Sheet |
![]() Negotiable |
|
||||||||||||
![]() |
![]() 2SK3012 |
![]() Other |
![]() |
![]() Data Sheet |
![]() Negotiable |
|
||||||||||||
![]() |
![]() 2SK3013 |
![]() Other |
![]() |
![]() Data Sheet |
![]() Negotiable |
|
||||||||||||
![]() |
![]() 2SK3017 |
![]() |
![]() MOSFET N-CH 900V 8.5A TO-3PN |
![]() Data Sheet |
![]() Negotiable |
|
||||||||||||
![]() |
![]() 2SK3017(F) |
![]() Toshiba |
![]() MOSFET MOSFET N-Ch 900V 8.5A Rdson 1.25 Ohm |
![]() Data Sheet |
![]()
|
|
||||||||||||
(China (Mainland))









