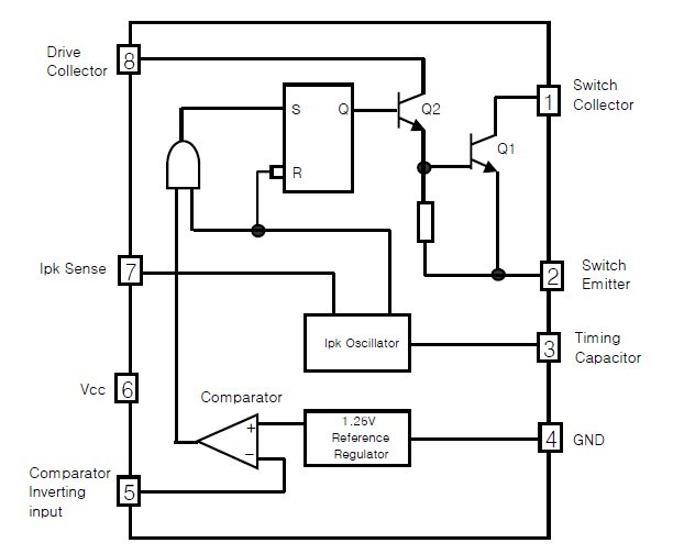
Product Summary
The MC34063AL is a monolithic control circuit delivering the main functions for DC-DC voltage converting. The device contains an intermal temperature compensated reference, comparator, duty cycle controlled oscillator with an active current limit circuit driver and high current output switch. The MC34063AL is designed for Step-Down, Step-Up and Voltage-lnverting applications.
Parametrics
MC34063AL absolute maximum ratings: (1)Vcc Power Supply Voltage: 50V; (2)Vir Comparator input Voltage Range: -0.3 to 40V; (3)VSWC Switch Collector Voltage: 40V; (4)VSWE Switch Emitter Voltage (VSWC=40V): 40V; (5)VCE Switch Collector to Emitter Voltage: 40V; (6)Vdc Driver Collector Voltage: 40V; (7)Idc Driver Collector Current: 100mA; (8)Isw Switch Current: 1.5A; (9)Top Operating Ambient Temperature Range: 0 to 70℃; (10)Tstg Storage Temperature Range: -40 to 150℃.
Features
MC34063AL features: (1)output switch current in excess of 1.5a; (2)2% reference accuracy; (3)low quiescent current: 2.5ma(typ.); (4)operating from 3v to 40v; (5)requency operation to 100khz; (6)active current limiting.
Diagrams

![]() |
![]() MC34001 |
![]() Other |
![]() |
![]() Data Sheet |
![]() Negotiable |
|
||||
![]() |
![]() MC34002 |
![]() Other |
![]() |
![]() Data Sheet |
![]() Negotiable |
|
||||
![]() |
![]() MC34002D |
![]() STMicroelectronics |
![]() Operational Amplifiers - Op Amps USE 511-TL072CD SO-8 DUAL OP AMP |
![]() Data Sheet |
![]() Negotiable |
|
||||
![]() |
![]() MC34002N |
![]() STMicroelectronics |
![]() Operational Amplifiers - Op Amps USE 511-TL072CN DIP-8 DUAL OP AMP |
![]() Data Sheet |
![]() Negotiable |
|
||||
![]() |
![]() MC34004 |
![]() Other |
![]() |
![]() Data Sheet |
![]() Negotiable |
|
||||
![]() |
![]() MC34011A |
![]() Other |
![]() |
![]() Data Sheet |
![]() Negotiable |
|
||||
(China (Mainland))









