Product Summary
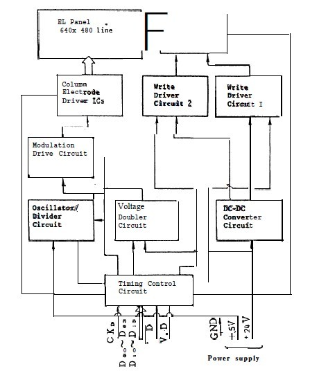
The LJ64ZU51 is a EL display unit. The LJ64ZU51 consists of a thin film EL panel, high voltage driverICs for panel driving and a display control circuit. By supplying eleven input signals of LS TTL level and two DC power supplies of +5V and +24V grzyscale graphs and characters can be displayed.
Parametrics
LJ64ZU51 absolute maximum ratings: (1)Interface signal: 5.5V; (2)Interface signal, VI: -0.5V; (3)Supply voltage, VI: +7V; (4)Supply voltage (panel drive), VD: +27V.
Features
LJ64ZU51 features: (1)Supply voltage (Logic), VL: +4.75 to +5.25V; (2)Supply current (Logic, VL=+5V), IL: 100 to 350 d; (3)Supply voltage (Panel drive), VD: +22.8 to +25.2V; (4)Supply current (Panel drive, VD=+ 24V), ID: 100 to 1200mA; (5)& Total power (VL= 5V ,VO =24V), Pr: 18W.
Diagrams

![]() |
![]() LJ640U28 |
![]() Other |
![]() |
![]() Data Sheet |
![]() Negotiable |
|
||||
![]() |
![]() LJ64ZU49 |
![]() Other |
![]() |
![]() Data Sheet |
![]() Negotiable |
|
||||
![]() |
![]() LJ64KM01 |
![]() Other |
![]() |
![]() Data Sheet |
![]() Negotiable |
|
||||
![]() |
![]() LJ64K052 |
![]() Other |
![]() |
![]() Data Sheet |
![]() Negotiable |
|
||||
![]() |
![]() LJ64K051 |
![]() Other |
![]() |
![]() Data Sheet |
![]() Negotiable |
|
||||
![]() |
![]() LJ64HM01 |
![]() Other |
![]() |
![]() Data Sheet |
![]() Negotiable |
|
||||
(China (Mainland))








