Product Summary
The SX14Q004 is a LCD.
Parametrics
SX14Q004 absolute maximum ratings: (1)power supply for logic:0V to 6.0V; (2)contrast adjustment voltage:0V to VDD; (3)input voltage:-0.3V to VDD+0.3V; (4)input current:0A to 1A.
Features
SX14Q004 features: (1)power supply voltage for logic:3.15V to 3.45V; (2)contrast adjustment voltage:0.8V to 2.8V; (3)power supply current for logic:30mA to 35mA; (4)frame frequency: 60Hz to 80Hz.
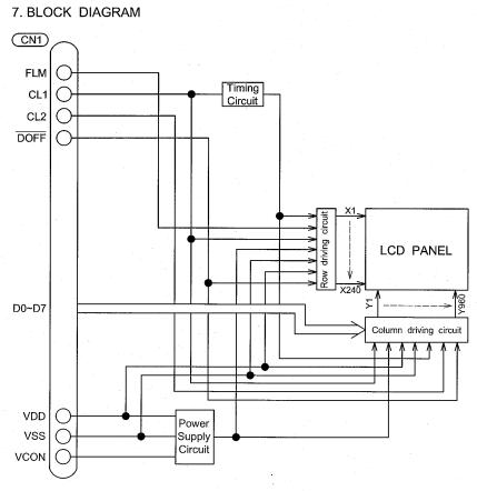
Diagrams

![]() |
![]() SX1441EVK |
![]() |
![]() KIT DEV FOR SX1441 |
![]() Data Sheet |
![]()
|
|
||||||
![]() |
![]() SX1441I077TRLF |
![]() |
![]() IC SYS-ON-CHIP BLUETOOTH 72LFBGA |
![]() Data Sheet |
![]() Negotiable |
|
||||||
(China (Mainland))









