Product Summary
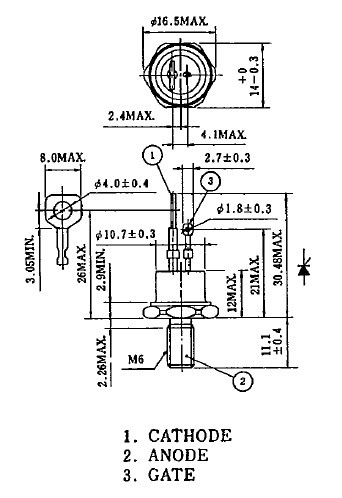
The SF25G13 is a phase control thyristor.
Parametrics
SF25G13 absolute maximum ratings: (1)Repetitive Peak Off State Voltage VDRM: 400V; (2)Non-Repetitive Peak Reverse Voltage (Non-Rep <5ms): 500V; (3)Peak Gate Power Dissipation PGM: 5VI; (4)Average Gate Power Dissipation PGCAV): 0.5W; (5)Peak Forward Gate Current IGM: 2A; (6)Peak Forward Gate Voltage VFGH: 10V; (7)Peak Reverse Gate Voltage VRGM: -5V; (8)Junction Temperature TJ: -40-125℃; (9)Storage Temperature Range Tat: -40-150℃.
Features
SF25G13 characteristics: (1)On the conditions of VDRM=VRRM=Rated Tj = 125℃, Repetitive Peak Off-State Current and Repetitive Peak Reverse Current IDRM and IRRM: max=6mA; (2)On the conditions of ITM=75A, Tc=25℃, Peak On-State Voltage VTM: max=1.6V; (3)On the conditions of VD=KRated, Tc=125℃, Gate Non-Trigger Voltage VGD: min=0.15V; (4)On the conditions of VD=Rated, Tc=125℃, Gate Non-Trigger Current IGD: min=0.5mA; (5)On the conditions of VD=0.5Rated, Tc=25℃, Gate Supply(VG=10V, Rc=20fl, trSl]us, Turn-On Time t*: 6(Typ.); (6)On the conditions of Tc=25℃, RL=100Q, Holding Current IH: max=75mA.
Diagrams

![]() |
![]() SF25 |
![]() Taiwan Semiconductor |
![]() Rectifiers 2A,300V,35NS, SUPER FAST Rect |
![]() Data Sheet |
![]()
|
|
||||||||||
![]() |
![]() SF25-0881M5UB02 |
![]() |
![]() FILTER SAW 881.00 MHZ |
![]() Data Sheet |
![]()
|
|
||||||||||
![]() |
![]() SF25-1960M5UB01 |
![]() |
![]() FILTER SAW 1960.00 MHZ SMD |
![]() Data Sheet |
![]() Negotiable |
|
||||||||||
![]() |
![]() SF25H125 |
![]() Cooper Bussmann |
![]() Fuses 125A 250Vac FUSE |
![]() Data Sheet |
![]()
|
|
||||||||||
![]() |
![]() SF25H160 |
![]() Cooper Bussmann |
![]() Fuses 160A 250Vac |
![]() Data Sheet |
![]()
|
|
||||||||||
![]() |
![]() SF25H40 |
![]() Cooper Bussmann |
![]() Fuses SEMI-CONDUCTOR FUSE |
![]() Data Sheet |
![]()
|
|
||||||||||
(China (Mainland))










