Product Summary
The LT1785CS8 is half-duplex and full-duplex differential bus transceiver for RS485 and RS422 applications which features on-chip protection from overvoltage faults on the data transmission lines. Receiver input and driver output pins can withstand voltage faults up to ±60V with respect to ground with no damage to the device. The applications of the LT1785CS8 include: Industrial Control Data Networks; CAN Bus Applications; HVAC Controls.
Parametrics
LT1785CS8 absolute maxing ratings: (1)Supply Voltage (VCC): 18V; (2)Receiver Enable Input Voltage: -0.3V to 6V; (3)Driver Enable Input Voltage: -0.3V to 6V; (4)Driver Input Voltage: -0.3V to 18V; (5)Receiver Input Voltage: -60V to 60V; (6)Driver Output Voltage: -60V to 60V; (7)Receiver Output Voltage: -0.3V to (VCC + 6V); (8)Operating Temperature Range: 0℃ to 70℃; (9)Storage Temperature Range: -65℃ to 150℃; (10)Lead Temperature (Soldering, 10 sec): 300℃.
Features
LT1785CS8 features: (1)Protected from Overvoltage Line Faults to ±60V; (2)Pin Compatible with LTC485 and LTC491; (3)High Input Impedance Supports Up to 128 Nodes; (4)No Damage or Latchup to ESD IEC-1000-4-2 Level 4: ±15kV Air Discharge; IEC-1000-4-2 Level 2: ±4kV Contact Discharge; (5)Controlled Slew Rates for EMI Emissions Control; (6)Guaranteed High Receiver Output State for Floating, Shorted or Inactive Inputs; (7)Outputs Assume a High Impedance When Off or Powered Down; (8)Drives Low Cost, Low Impedance Cables; (9)Short-Circuit Protection on All Outputs; (10)Thermal Shutdown Protection.
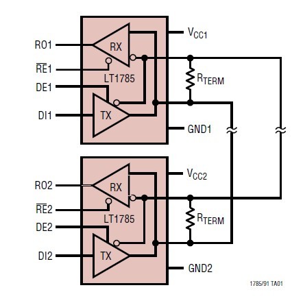
Diagrams

| Image | Part No | Mfg | Description | ![]() |
Pricing (USD) |
Quantity | ||||||||||
|---|---|---|---|---|---|---|---|---|---|---|---|---|---|---|---|---|
![]() |
![]() LT1785CS8 |
![]() |
![]() IC TXRX RS485/RS422 60V 8-SOIC |
![]() Data Sheet |
![]()
|
|
||||||||||
![]() |
![]() LT1785CS8#PBF |
![]() |
![]() IC TXRX RS485/RS422 60V 8-SOIC |
![]() Data Sheet |
![]()
|
|
||||||||||
![]() |
![]() LT1785CS8#TR |
![]() |
![]() IC TXRX 60V RS485/RS422 8SOIC |
![]() Data Sheet |
![]()
|
|
||||||||||
![]() |
![]() LT1785CS8#TRPBF |
![]() |
![]() IC TXRX RS485/RS422 60V 8-SOIC |
![]() Data Sheet |
![]()
|
|
||||||||||
(China (Mainland))









