Product Summary
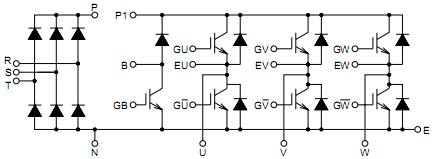
The CM20MD-12H is a medium power switching use. The applications of it are AC & DC motor controls, General purpose inverters, Servo controls, NC, Robotics.
Parametrics
CM20MD-12H absolute maximum ratings: (1)Collector-emitter voltage:600V; (2)Gate-emitter voltage:±20V; (3)Collector Current:20A, pulse:40A; (4)Emitter Current:20A, pulse:40A; (5)Maximum collector dissipation:57W.
Features
CM20MD-12H features: (1)IC:20A; (2)VCES:600V; (3)Insulated Type; (4)CIB Module 3φ Inverter+3φ Converter+Brake; (5)UL Recognized Yellow Card No. E80276 (N), File No. E80271.
Diagrams

| Image | Part No | Mfg | Description | ![]() |
Pricing (USD) |
Quantity | ||||||||||||
|---|---|---|---|---|---|---|---|---|---|---|---|---|---|---|---|---|---|---|
![]() |
![]() CM20MD-12H |
![]() Other |
![]() |
![]() Data Sheet |
![]() Negotiable |
|
||||||||||||
| Image | Part No | Mfg | Description | ![]() |
Pricing (USD) |
Quantity | ||||||||||||
![]() |
![]() CM2006 |
![]() Other |
![]() |
![]() Data Sheet |
![]() Negotiable |
|
||||||||||||
![]() |
![]() CM2006-02QR |
![]() ON Semiconductor |
![]() Video ICs VGA Port Monitor |
![]() Data Sheet |
![]()
|
|
||||||||||||
![]() |
![]() CM2009 |
![]() Other |
![]() |
![]() Data Sheet |
![]() Negotiable |
|
||||||||||||
![]() |
![]() CM2009-00QR |
![]() ON Semiconductor |
![]() Video ICs VGA Port Circuit 55 Ohm |
![]() Data Sheet |
![]()
|
|
||||||||||||
![]() |
![]() CM2009-02QR |
![]() ON Semiconductor |
![]() Video ICs VGA Port Circuit 15 Ohm |
![]() Data Sheet |
![]()
|
|
||||||||||||
![]() |
![]() CM200C-32.768KAZF-UT |
![]() Citizen |
![]() Crystals 32.768K 30ppm 12.5pF |
![]() Data Sheet |
![]()
|
|
||||||||||||
(China (Mainland))











